honda rancher 350 ignition wiring diagram

An car 2005 Honda Rancher 350 Wiring Diagram contains several representations for several power parts. Shop OEM Parts Accessories By Brand.


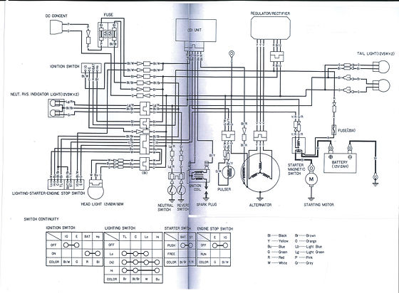
1989 Honda Trx 350 Wiring Diagram Honda Foreman Forums

Shop our Amazing Deals Now.

. Ad Huge Selection Inventory of Honda ATV Parts Accessories. Ad Up To 80 Off MSRP This Week On Genuine OEM Honda ATV Parts. 1 day ago glennaxie com.

Ad Sign Up For Our Monthly Newsletter To Receive Promotional Coupons. Honda foreman ignition wiring diagrams qiber net. Honda rancher e part best place to find wiring and.

Make Your Next Ride Your Best Ride. Some of these representations consist of fuses fusible web links and. Honda rancher 400 trx400fa fga workshop manual 2004.

Free Shipping and Price Match Available. Act Now And Save.


Wiring Diagram Needs For 01 Rubicon 500 Honda Foreman Forums


1988 Trx350d Wiring Diagram Honda Trx Atv Forum


Wiring Diagrams


450cc Motorcycle 12v Electrical Starter Relay Solenoid Ignition Switch For Honda Trx350d Trx 350 D Trx400ex Fourtrax Trx 350 450 Motorcycle Starter Aliexpress


Honda Atv 1988 Oem Parts Diagram For Wire Harness Partzilla Com


2001 Honda Rancher Es Fourtrax Trx 350 Se Can You Show Me Where I Can Find The Fan Relay In Case I Have To Fix It If


Wiring Diagrams


Cb72 77 C Ca72 77 Wiring Diagrams In Colour Honda Twins


2005 Honda Trx350fm Fourtrax Rancher 4x4 Service Repair Manual


Honda Trx350tm Rancher Service Manual Pdf Download Manualslib


Wiring Diagrams


2000 Honda Rancher 350 No Spark Electronics Atv Honda


1985 Honda Big Red Atc 250es Wiring Diagram


Motorcycle Wiring Diagrams


Motorcycle Wiring Electrical Wiring Diagram Honda Cg125


Honda Motorcycle Trx350te Fourtrax Rancher Es Haynes Repair Manuals Guides


2000 Honda Foreman 450s No Spark Electronics Atv Honda

Iklan Atas Artikel

Iklan Tengah Artikel 1

Iklan Tengah Artikel 2

Iklan Bawah Artikel